



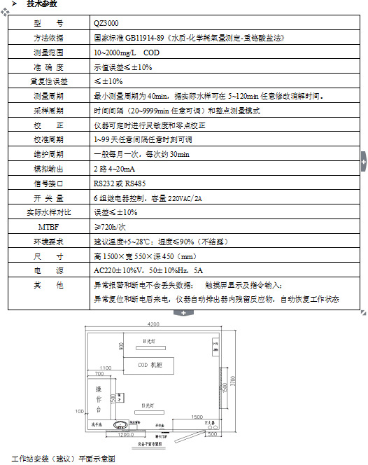
COD cr在線自動監測儀
化學需氧量(COD)是以化學方法測量水樣中需要被氧化的還原性物質的量。水樣在一定條件下,以氧化1升水樣中還原性物質所消耗的氧化劑的量為指標,折算成每升水樣全部被氧化后,需要的氧的毫克數,以mg/L表示。它反映了水中受還原性物質污染的程度。該指標也作為有機物相對含量的綜合指標之一。

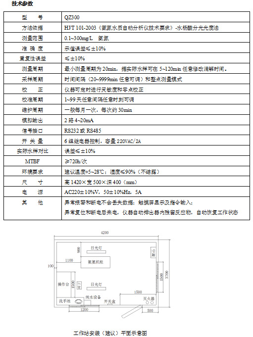
氨氮在線自動監測儀
水中的氨氮是指以游離氨形式存在的氨,主要來源于生活污水中含氮有機物受微生物作用的分解產物,焦化合成氨等工業廢水,以及農田排水等。水體中氨氮含量較高時,對魚類呈現毒害作用,對人類也又不同程度的危害。測定水中氨氮含量有助于評價水體被污染和“自凈”狀況,因此氨氮是表征水質污染的重要指標。

總磷在線自動監測儀
總磷是指水體中顆粒和溶解的有機磷和無機磷的總和,總磷反映水體受磷污染的程度。水體中磷的含量增多會引起富營養化,造成水華或赤潮的發生,嚴重影響水質。

如有需要請聯系王優:13127768084(微信同號)
王優 客戶經理
13127768084
地址:上海市閔行區光華路188號3號廠房
電話:021-64890289
郵箱:sales@kuosi.com.cn
傳真:021-51686350
網址:www.pdm.net.cn
